
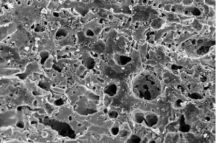
Реактивація вуглецю є ключовим процесом, який надає вуглецевим матеріалам чудові адсорбційні властивості та поверхневу активність. Його суть полягає в регулюванні мікроструктури та поверхневих хімічних властивостей вуглецевої матриці за допомогою фізичних або хімічних засобів, завдяки чому досягається цільовий дизайн функцій матеріалу. Під час процесу реактивації вуглецю першим кроком є термічне розкладання та карбонізація попередника, що утворює основні структурні одиниці вуглецевих гексагональних кілець, розташованих у випадковому порядку. Ці одиниці з’єднані між собою силами Ван-дер-Ваальса та ковалентними зв’язками, утворюючи початковий вуглецевий каркас. На цій стадії вуглецевий матеріал зазвичай має низьку питому поверхню та структуру закритих пор, що вимагає подальшого розвитку його внутрішнього простору через процес активації.
Фізична активація використовує пару, вуглекислий газ або повітря як агенти активації. У діапазоні температур 800-1100 градусів молекули активаційного агента вступають у реакції окислення з атомами вуглецю в вуглецевому каркасі. Цей ефект селективного травлення відбувається переважно в активних центрах вуглецевої структури з більшою енергією, наприклад, дефектах, ненасичених зв’язках тощо. Оскільки реакція активації триває, спочатку утворені мікропори шар за шаром розширюються через травлення стінок пор, а взаємозв’язок між сусідніми мікропорами утворює мезопори, зрештою будуючи багаторівневу мережу пор, що складається з мікропор, мезопор. Точний контроль температури та часу активації має вирішальне значення в цьому процесі: занадто низька температура призведе до повільної швидкості реакції активації та неповного розвитку пор; тоді як занадто висока температура може спричинити надмірне горіння вуглецевого скелета, зменшуючи механічну міцність і вихід матеріалу.

Хімічна активація передбачає введення хімічних агентів до або під час карбонізації. Його механізм більш складний, ніж фізична активація, і включає дегідратацію, каталітичні та травильні ефекти. Порівняно з фізичною активацією хімічна активація має переваги нижчої температури активації та вищої ефективності реакції, а введення агентів змінює поверхневе хімічне середовище вуглецевого матеріалу -, наприклад, активація фосфорною кислотою може утримувати більше кисневмісних-функціональних груп, тоді як активація гідроксидом калію має тенденцію утворювати лужні поверхні, -збагачені електронами.
Модифікація поверхні під час процесу реактивації вуглецю є ще одним важливим аспектом для покращення специфічних властивостей матеріалу. У високо-температурному середовищі реакції активації поверхня вуглецевого матеріалу вступає в хімічну реакцію з активуючим агентом і домішковими газами в атмосфері, утворюючи кисневмісні-функціональні групи, наприклад гідроксильні, карбоксильні тощо, а також невелику кількість азотних і сірчаних груп. Типи та кількість цих функціональних груп безпосередньо впливають на поверхневу змочуваність, електрохімічні характеристики та селективність адсорбції вуглецевого матеріалу -, наприклад, введення карбоксильних груп може значно підвищити хелатну здатність матеріалу для катіонів важких металів, тоді як присутність азоту типу піридину- може покращити його каталітичну активність у реакціях відновлення кисню. Крім того, поверхневі дефекти (такі як одиничні вакансії, подвійні вакансії та топологічні дефекти), що утворюються під час процесу активації, забезпечують велику кількість активних центрів для матеріалу, демонструючи унікальні переваги в накопиченні енергії, каталітичному перетворенні та інших сферах.
Від мікроскопічного механізму до макроскопічної продуктивності, розробка технології реактивації вуглецю завжди ґрунтувалася на законі кореляції «структура - продуктивність - застосування». Із застосуванням передових методів визначення характеристик, таких як синхротронне випромінювання та електронна мікроскопія з-коригованою аберацією, дослідники отримали глибше розуміння динамічного процесу еволюції пор і механізму утворення поверхневих функціональних груп під час процесу активації, надаючи теоретичні вказівки для точного контролю мікроструктури вуглецевих матеріалів. У майбутньому завдяки багато-масштабному моделюванню та інтелектуальному експериментальному дизайну технологія реактивації вуглецю розвиватиметься в більш екологічному та індивідуальному напрямку, далі розширюючи межі застосування в екологічному врядуванні, новій енергетиці та високо-виробництві.
